来源:拼搏买球-拼搏中国|发布时间:2019-01-09 12:15

鑫海文开发的无刷增压泵的供电电压为24~35V,峰值电流为80A,转速1800转,具有闭环控制,过载能力强,启动速度高,无感启动平滑等特性。增压泵原理是利用大面积活塞的低气压产生小面积活塞的高液压。工业领域用于机床卡盘的卡紧,蓄能器充气,高压瓶充气,降低压气体转换成高压气体等。凡是气源压力不够高,无论是机械或测试装置,均可采用增压泵。
方案概述
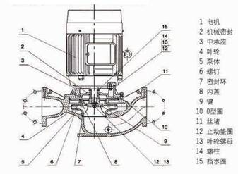
无刷增压泵内充满液体,然后启动离心泵,叶轮快速转动,叶轮的叶片驱使液体转动,液体转动时依靠惯性向叶轮外缘流去,同时叶轮从吸入室吸进液体,在这一过程中,叶轮中的液体绕流叶片,在绕流运动中液体作用一升力于叶片,反过来叶片以一个与此升力大小相等、方向相反的力作用于液体,这个力对液体做功,使液体得到能量而流出叶轮,这时液体的动能与压能均增大。
方案特色
方案设计我们是专业的
1. 维护简单:增压泵的零件及密封少,维护简单且成本低着一起复增压。
2. 性价比高:增压泵具有输出性能高而成本低的特性。
3. 可调性强:增压泵输出压力和流量都由驱动气体的压力调节阀准确地调节。 调节驱动气压,使气压管道增压泵的输出压力在预增气压和最大输出压力之间精确调整。
4. 输出压力高:气动液体管道增压泵的最高工作压力可达到700Mpa,气动气体管道增压泵的最高工作压力可达到300 Mpa。
方案架构/系统流程

客户故事
鑫海文设计的无刷增压泵具有闭环控制,过载能力强,启动速度高,无感启动平滑等特性,而且无刷增压泵的效率要比传统的增压泵高出30%,还不会有火花出现安全性得到更好的保障;使用寿命长,无需经常清理杂物,深得客户的认可。