无刷驱动器怎么安装?
来源:拼搏买球-拼搏中国|发布时间:2019-10-25 19:13
无刷驱动器现在应用越来越多,所以很多用户之前对于无刷驱动器也不是很了解,但是实际使用时,需要对无刷驱动器进行安装,那么该如何安装无刷驱动器呢?
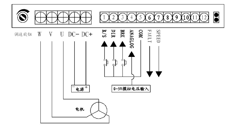
无刷驱动器安装端子及使用说明:

根据上图所示,各接口功能列表
|
端子标记 |
端子定义 |
|
功率端子 |
DC+、DC- |
接直流电源。DC+与正极相接,DC-与负极相接 |
|
|
U、V、W |
端子的U、V、W与电机的U、V、W三相对应连接 |
|
控制端子 |
1 |
R/S电机启停控制信号,与COM端口短接电机启动,断开电机自然停车 |
|
|
2 |
DIR电机转向控制信号,与COM端口短接电机反转,断开电机正转 |
|
|
3 |
BRK制动停车信号,与COM端口短接电机制动停车3 |
|
|
4 |
ANI外部模拟电压调速输入,默认输入电压0-5V |
|
|
5 |
COM信号接地端 |
|
|
6 |
FAULT故障信号输出接口(低电平电机故障) |
|
|
7 |
SPEED速度信号输出接口 |
|
|
8月12日 |
保留 |
|
指示灯 |
红灯闪烁 |
电机故障 |
|
|
绿灯闪烁 |
电机待机 |
|
|
交替闪烁 |
电机正常运行 |
|
调速旋钮 |
调节电机转速 |
顺时针旋转电机速度增加,逆时针旋转电机速度减小 |
注:
1电机的U、V、W与驱动器U、V、W连接方式的不同可导致电机运转方向的不同。
2电机停车后才能操作改变电机的转动方向。
3制动停车在大惯量负载时慎用,且制动时间和负载有关。
4驱动器默认调速方式为旋钮调速,若需通过外部模拟电压来调节速度,可在我司技术人员的指导下通过跳线来设定。
5当出现故障时,请及时断电检查系统,排除故障后上电重启。
6.速度脉冲为占空比50%的方波,幅值与VCC端电平相同。脉冲频率F与电机转速N对应关系:
N=F*60/P(P为电机极对数)
典型接线图:

用户在接线时要注意以下几点:
通电前请确保电机的U、V、W及霍尔要和驱动器的U、V、W及霍尔对应连接,一旦出错,可能对驱动器及电机造成不可恢复性损坏。
断电1分钟后才能进行底板检查或更换保险管。
安装注意事项:
*运行期间严禁打开外壳测量或触摸底板上任何器件和接插件。
*断电后1分钟后才能进行底板检查或更换保险管。
*运行期间严禁驱动器无外壳运行。
*无刷电机驱动器和无刷电机需良好可靠接地,否则有可能无刷电机转速不平稳。
*如果驱动器在运行期间意外损坏,本公司只负责承担驱动器在保修范围内的维修和更换。本公司不承担由于驱动器意外损坏导致的电机失控或人员伤亡以及财产损失等的赔偿。
模拟电压调速
可将外部电位器的两个固定端分别接于驱动器的控制信号端口的+5V和COM端,将调节端接于SV端即可使用外接电位器(10K~100K)调速,也可以通过其它的控制单元(如PLC.单片机等)输入模拟电压到SV端实现调速(相对于COM),SV端口的接受范围为DC0V~+5V,对应电机转速为0-额定转速。
也可使用外部PWM信号调速:在SV与GND之间可以施加幅值为5V,频率为1KHz~20KHz的脉宽数字信号(PWM)进行调速,电机转速受其占空比变化线性调2,面板控制模式
这种模式可以在完全不依赖外部控制信号的情况下启动电机,对于设备调试和维修时,需要临时启动电机,或者检查电机和驱动系统是否正常等情况时,是十分有用通过设定系统参数P1.1设定电机运转的目标转速。设定转速后按下“ENT键,电机会启动并加速到设定转速。在电机运转过程中,也可以手动调速,方法是长按面板上的“A”和“V”键调整转速值。
(2)电机运行/停止控制(EN)通过控制端子EN相对于COM的通断可以控制电机的运行和停止。当与端子接通时电机运行反之电机停止。
(3)电机正/反转控制(F/R)通过控制端子F/R与端子COM的通断可以控制电机的运转方向。当F/R与端子COM不接通时,电机顺时针运行(面对电机轴),反之则电机逆时针方向运转:当电机处于运转状态进行正/反转选择切换时,电机会自动先停车然后再以反方向启动运转。(不同规格型号的电机,转向有可能不一致,用户需自行确认转向)
(4)紧急停机(EMG)通过控制端子EMG与端子COM的通断可以控制电机的停机。当控制端子EMG与端子COM断开时,电机运行,接通时电机停止,并在面板上显示“br”。
(5)电机转速信号输出(PG)速度脉冲输出,该端口为集电极开路输出(OC门输出)(最大30V/10mA)。PG端应与电源正极之间(5V-24V,如果用户自己没有电源,也可直接连接CN2的8脚上的
+5V)接3KQ~10KQ上拉电阻。该端将输出频率F(HZ)与电机转速N(RPM)的关系如下:F=N*P/60,其中P为电机极对数,即电机每转输出的脉冲为电机的极对数。
(6)报警输出
驱动器报警输出,该端口为集电极开路(OC门输出)(最大30V/10mA)。报警输出端与电源正极(5V-24V,如果用户自己没有电源,也可直接连接CN2的8脚上的
+5V)之间接3KQ~10KQ上拉电阻。报警时该端与GND导通(低电平),同时驱动器自行停止工作处于报警状态。
本文由鑫海文(www.wsqdfa-bldc.com)原创首发,转载请以链接形式标明本文地址或注明文章出处!